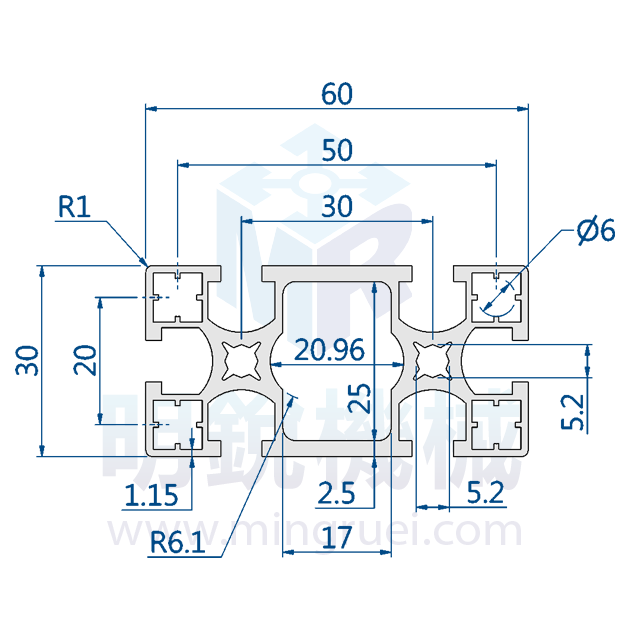
EFA-3060
產品說明

產品名稱 Product Name | 6系列 30x60mm 輕荷型鋁擠 |
型號 Model | EFA-3060 (壓克力電著/ 鋁本色) EFA-3060-B (陽極/ 黑色) |
材質 Material | A6063S-T5 |
表面處理 Surface Processing | 本色特殊ED & 純黑封口 |
庫存長度 Specification | 6,000mm |
有效長度 Valid Specification | 5,800mm |
重量 Weight | 1.45 kg/ m |


檔案下載